13915042250
当前位置: 首页>产品中心>制粒系列

制粒系列

  • GHL系列高效湿法混合制粒机
  • GHL系列高效湿法混合制粒机

GHL系列高效湿法混合制粒机

项目分类 : 制粒系列

概述 : 粉体物料与粘合剂在圆筒形容器中由底部混合桨充分混合成湿润材料,然后由侧置的高速粉碎桨切割成均匀的湿颗粒。
  • 产品详情
  • 图片集锦
  • 相关工程
  • 动画演示
  • 应用案例

    特点

    ◆ 本机采用卧式圆筒构造,结构合理。

    ◆ 充气密封驱动轴,清洗时可切换成水。

    ◆ 流态化造粒,成粒近似球形,流动性好。

    ◆ 较传统工艺减少25%粘合剂,干燥时间缩短。

    ◆ 每批次干混2分钟,造粒1-4分钟,工效比传统工艺提高4-5倍。

    ◆ 在同一封闭容器内完成,干混-湿混-制粒,工艺缩减,符合GMP规范。

    ◆ 整个操作具有严格的安全保护措施。

    ◆ 可根据求做成夹套型。

    原理

      粉体物料与粘合剂在圆筒形容器中由底部混合桨充分混合成湿润材料,然后由侧置的高速粉碎桨切割成均匀的湿颗粒。

    流程图

    流程图.jpg

    技术参数(标准型)

    项 目item

    规格 spec

    名称name

    单位 unit

    10

    50

    150

    200

    250

    300

    400

    600

    容积capacity

    L

    10

    50

    150

    200

    250

    300

    400

    600

    产量output

    kg/batch

    3

    15

    50

    80

    100

    130

    200

    280

    混合速度
    mixing speed

    rpm

    300/600

    200/400

    180/270

    180/270

    180/270

    140/220

    106/155

    80/120

    混合功率
    admix power

    kw

    1.5/2.2

    4/5.5

    6.5/8

    9/11

    9/11

    13/16

    18.5/22

    22/30

    切割速度
    cuting speed

    rpm

    1500/3000

    1500/3000

    1500/3000

    1500/3000

    1500/3000

    1500/3000

    1500/3000

    1500/3000

    切割功率
    cuting power

    kw

    0.85/1.1

    1.3/1.8

    2.4/3

    4.5/5.5

    4.5/5.5

    4.5/5.5

    6.5/8

    9/11

    压缩空气耗量
    compressed air consumption

    m³/min

    0.6

    0.6

    0.9

    0.9

    0.9

    1.1

    1.5

    1.8

    重量weight

    kg

    250

    500

    800

    1000

    1300

    1800

    2200

    2600

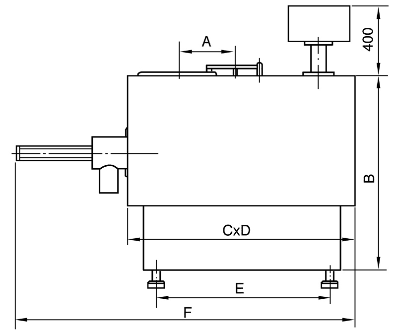
    外形尺寸

    1632711416133173.jpg

    与制粒工艺相配套的组件

    与制粒工艺相配套的组件.jpg

    分享到: 本文连接: /list_18/323.html
    相关文章